Strainsert
An AS9100C (Including ISO 9001:2008)
Certified Company
Call Now: 610-825-3310
Home
Products
Custom Solutions
Services
Applications
About Us
Catalog & CAD Library
Contact Us
Catalog Quick Links:
Load Pins
Load Cells
Custom Solutions
Force Sensing Bolts/Studs
Force Sensing Tension Links
Instruments
Accessories
Search Catalog
By Keyword
By Item #
All Products
Universal Load Cell Bases
All Products
>
Load Cells
>
Standard Load Cell Accessories
>
Universal Load Cell Bases
>
View Items
Download PDF
Download PDF
Printable Page
Email This Page
Save To Favorites
Please wait…
Universal Load Cell Bases
Check up to five results to perform an action.
larger image
larger image
Results Per Page :
25
50
100
200
Results 1 - 10 of 10
1
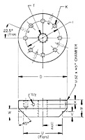
Item #
D - Diameter
U - Flats
H - Height
T - Hole
K - Hole
L - Diameter
BFL2.5UT
2-5/8
in
2
in
1-1/4
in
3/8-16UNC-2B
#10-32UNF-2B, 9/16” Deep
1-15/16
in
BFL5UT
2-5/8
in
2
in
1-1/4
in
7/16-20UNF-2B
#10-32UNF-2B, 9/16” Deep
1-15/16
in
BFL7.5UT
2-5/8
in
2
in
1-1/4
in
7/16-20UNF-2B
#10-32UNF-2B, 9/16” Deep
1-15/16
in
BFL4.5UT
3-3/8
in
3
in
1-1/4
in
7/16-20UNF-2B
1/4-28UNF-2B, 9/16” Deep
2-7/16
in
BFL10UT
3-3/8
in
3
in
1-1/4
in
5/8-18UNF-2B
1/4-28UNF-2B, 9/16” Deep
2-7/16
in
BFL25UT
5-1/8
in
4-1/2
in
1-3/4
in
1-14UNF-2B
3/8-24UNF-2B, 7/8” Deep
3-3/4
in
BFL35UT
6-1/8
in
5-1/2
in
1-3/4
in
1-1/4-12UNF-2B
7/16-20UNF-2B, 7/8” Deep
4-1/2
in
BFL50U(C2)T
7-1/4
in
0
in
2
in
1-1/2-12N-2B
1/2-20UNF-2B, 7/8” Deep
5-1/4
in
BFL75UT
8-1/2
in
0
in
2-1/2
in
1-3/4-12N-2B
3/4-16UNF-2B, 7/8” Deep
6-1/2
in
BFL100UT
9-1/2
in
0
in
3
in
2-12UN-2B
3/4-16UNF-2B, 7/8” Deep
7-1/4
in
Results 1 - 10 of 10
1